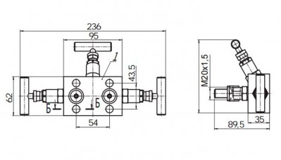
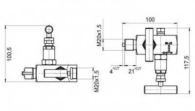
Блоки вентильные предназначены для подключения преобразователей давления ОВЕН ПД100 и ПД200 к технологической линии посредством импульсных трубок, отводов или напрямую в системах автоматического контроля, регулирования и управления технологическими процессами.
Преимущества
- Возможность калибровки датчика в условиях эксплуатации
- Заводская сборка с испытаниями на герметичность
- Малые габариты и масса
Вентильные блоки ОВЕН БВ-х
Используются в сборе с преобразователями давления. Блоки состоят из корпуса, запорного вентиля, который обеспечивает изоляцию преобразователя от технологического процесса, и дренажных вентилей, которые обеспечивают дренаж среды и упрощают замену преобразователя в условиях эксплуатации. Также трех- и пятивентильные блоки позволяют выравнивать давление в камерах преобразователя для калибровки нулевого значения выходного сигнала.
Технические характеристики
| Рабочая среда | жидкость, пар, газ |
| Давление рабочей среды | до 16 МПа |
| Температура рабочей среды | -40…+350 °С |
| Предельные значения температур окружающего воздуха при эксплуатации | -40…+85 °С |
| Присоединение к технологической линии | M20×1,5 манометрической формы |
| Присоединение к преобразователю | резьбовое соединение M20х1,5 или фланцевый монтаж на преобразователь с межосевым расстоянием 54 мм |
| Материал корпуса | нержавеющая сталь AISI 304S |
| Тип вентилей | игольчатый клапан с графитовым уплотнением |
Документация
Если вы нашли ошибку, пожалуйста, выделите фрагмент текста и нажмите Ctrl+Enter.
+7 347 200-92-14
ул. Рязанская, 14А
market@owen-ufa.ru
Личный кабинет![bv[1] bv[1]](https://owen-ufa.ru/wp-content/uploads/2017/02/bv1.jpg)

