Назначение
Блоки питания ОВЕН БП02, БП04, БП07, БП14 предназначены для питания датчиков стабилизированным напряжением постоянного тока.
Максимальная выходная мощность: 2, 4, 7, 14 Вт. Каждый блок питания имеет модификации двух номиналов выходного напряжения: 24 и 36 В.
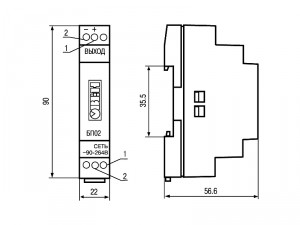
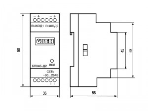
Блоки питания БП02, БП04, БП07, БП14 выпускаются в пластиковых корпусах с креплением на DIN-рейку.
Обозначения при заказе ОВЕН БП04
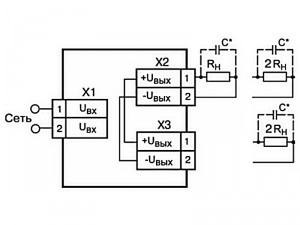
Обозначения при заказе ОВЕН БП07
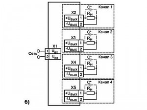
Обозначения при заказе ОВЕН БП14
* Число каналов и значение выходного напряжения выбирается при заказе.
Основные функции
- Преобразование переменного (постоянного) напряжения в постоянное стабилизированное напряжение.
- Один или несколько гальванически изолированных каналов питания датчиков.
- Стабильная работа в широком диапазоне входных напряжений без снижения характеристик выходного напряжения.
- Защита от перенапряжения и импульсных помех на входе.
- Защита от перегрузки, короткого замыкания и перегрева.
- Индикация о наличии напряжения на выходе.
Примеры применения блоков питания для датчиков
Документация
Декларация о соответствии на БП15-120
Сертификат промышленной безопасности на БП15-120
Руководство по эксплуатации БП14
Руководство по эксплуатации БП07
Если вы нашли ошибку, пожалуйста, выделите фрагмент текста и нажмите Ctrl+Enter.
+7 347 200-92-14
ул. Рязанская, 14А
market@owen-ufa.ru
Личный кабинет![bp04b-foto[1] bp04b-foto[1]](https://owen-ufa.ru/wp-content/uploads/2017/02/bp04b-foto1-600x600.png)
![bp07b-d3_foto[1] bp07b-d3_foto[1]](https://owen-ufa.ru/wp-content/uploads/2017/02/bp07b-d3_foto1-180x180.png)
![bp14b-d4_foto[1] bp14b-d4_foto[1]](https://owen-ufa.ru/wp-content/uploads/2017/02/bp14b-d4_foto1-180x180.png)
![bp02b-d1[1] bp02b-d1[1]](https://owen-ufa.ru/wp-content/uploads/2017/02/bp02b-d11-144x180.png)





