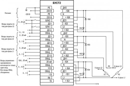
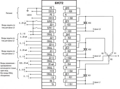
Назначение блока управления тиристорами и симисторами ОВЕН БУСТ2
Предназначен для управления симисторами или тиристорами, работающими с активной или активно индуктивной нагрузкой: нагревательными элементами печей, инфракрасными лампами, трансформаторами, двигателями и др.
БУСТ2 рекомендуется использовать для регулирования мощности совместно с ПИД-регуляторами ОВЕН ТРМ101, ОВЕН ТРМ10, ОВЕН ТРМ210, ОВЕН ТРМ251, ОВЕН ТРМ151 или ПЛК ОВЕН.
Прибор выпускается в корпусе креплением на Din — рейку.
Функциональные возможности
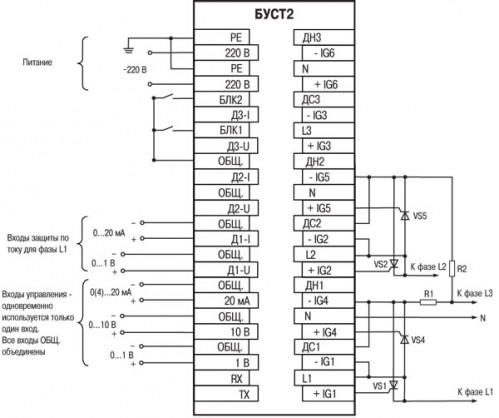
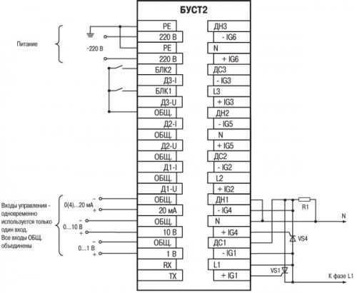
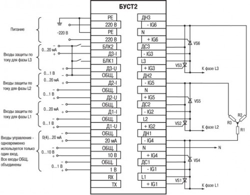
- Автоматическое регулирование мощности активной нагрузки с помощью сигналов управления 0(4)…20 мА, 0…5 мА, 0…10 В, 0…1 В поступающих от регулятора
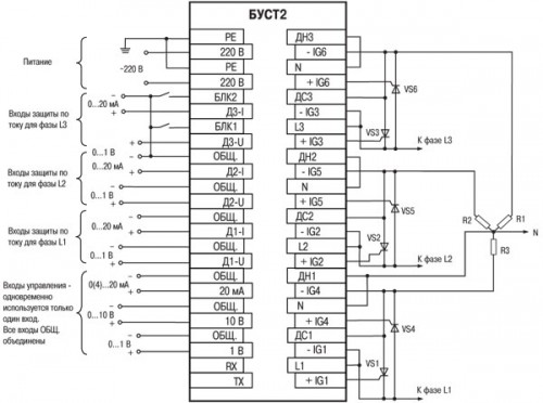
- Управление нагрузкой, включенной «ЗВЕЗДОЙ» и «ТРЕУГОЛЬНИКОМ»
- Управление активной и активно-индуктивной нагрузкой (cos φ>0,4)
- Управление мощными симисторами и тиристорами с токами управления до 1,5 А
- Ручное регулирование мощности с помощью встроенного потенциометра
- Два метода управления симисторами или тиристорами, в зависимости от инерционности нагрузки и уровня помех в сети
- Защита силовых тиристоров или симисторов при возникновении аварийных ситуаций: короткого замыкания или превышения номинального тока в нагрузке (с использованием внешних трансформаторов тока)
- Светодиодная индикация уровня мощности (10 уровней от 0 до 100 %)
- Возможность внешней блокировки управления нагрузкой
- Работа с одно-, двух- и трехфазной нагрузкой
Переключение режимов
- Плавный выход на заданный уровень мощности для предотвращения резких перегрузок питающей сети или защиты нагревателей
- Мгновенный выход на заданный уровень мощности для управления низко-инерционными нагрузками
Документация
Если вы нашли ошибку, пожалуйста, выделите фрагмент текста и нажмите Ctrl+Enter.
+7 347 200-92-14
ул. Рязанская, 14А
market@owen-ufa.ru
Личный кабинет![bust2[1] bust2[1]](https://owen-ufa.ru/wp-content/uploads/2017/02/bust21-600x468.jpg)


