Назначение
Источник бесперебойного питания ИБП60Б-Д9-24 предназначен для использования в качестве источника вторичного питания резервированного при работе от сети и от двух, последовательно соединенных, герметизированных свинцово-кислотных аккумуляторов.
Устройство и принцип действия
- Фильтр радиопомех на входе
- Импульсный источник питания
- Узел управления защитой, зарядом АКБ, индикацией
- Ключ сигнализации типа «открытый коллектор»
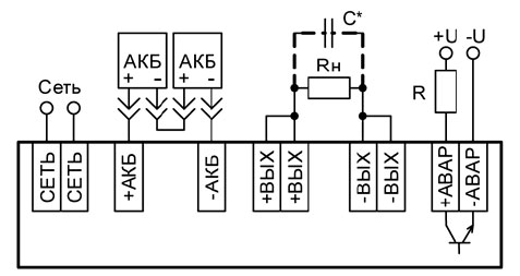
Источник защищён от: перегрузки, короткого замыкания на выходе, обратной полярности подключения АКБ, глубокого разряда АКБ. На лицевой панели источника расположены световые индикаторы: наличия сети, состояния АКБ и выходного напряжения.
Источник изготавливается в пластмассовом корпусе с креплением на DIN-рейку. Корпус состоит из двух частей, соединяемых между собой при помощи защелки. Для обеспечения отвода тепла, выделяющегося при работе источника, на нижней и верхней гранях корпуса предусмотрены вентиляционные отверстия.
Документация
Если вы нашли ошибку, пожалуйста, выделите фрагмент текста и нажмите Ctrl+Enter.
+7 347 200-92-14
ул. Рязанская, 14А
market@owen-ufa.ru
Личный кабинет![ibp60b[1] ibp60b[1]](https://owen-ufa.ru/wp-content/uploads/2017/02/ibp60b1-600x345.png)



