Измерители технологических параметров линейки ИТП-1х предназначены для контроля и отображения на цифровом индикаторе унифицированных сигналов тока и напряжения, поддерживают работу со стандартными датчиками температуры без применения нормирующих преобразователей. Приборы ИТП-14 и ИТП-16 оснащены функцией сигнализации и выполнены в компактных, удобных для монтажа корпусах.
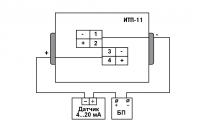
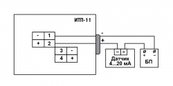
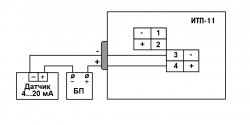
Измеряемые сигналы ИТП-11
- Ток: 4…20 мА с питанием от сигнала
Измеряемые сигналы для ИТП-14
- Ток: 0…20 мА, 0…5 мА, 4…20 мА.
- Напряжения: 0…10 В, 2…10 В.
ИТП-16 поддерживает градуировки
- Термоэлектрических преобразователей: L (ГОСТ 8.525 и DIN43710), K, J, N, T, S, R, B, A(1-3).
- Термометров сопротивления: M, Cu, П, Pt, Ni при 50, 100, 500, 1000 Ом.
Обозначение при заказе ИТП-11
Обозначение при заказе ИТП-14 и ИТП-16
Функциональные возможности приборов ИТП
- Контроль температуры или другой физической величины (давления, влажности, уровня и т. п.).
- Масштабирование измеренного сигнала в нужные единицы измерения (для ИТП-11, ИТП-14).
- Возможность вычисления квадратного корня (для ИТП-11, ИТП-14).
- Индикация аварии при обрыве входного сигнала или выхода за указанные границы.
- Возможность мигания индикатора при входе измеряемой величины в критическую зону*.
- Выходное устройство для сигнализации или управления 200 мА 42 В (для ИТП-14, ИТП-16).
- Питание:
- от внешнего источника постоянного напряжения 24 В (для ИТП-14, ИТП-16);
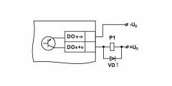
- от токовой петли, падение напряжения 4 В (для ИТП-11 в щитовом корпусе)**.
- Крепление:
- на дверцу щита в отверстие 22 мм;
- на стену (для ИТП-11);
- DIN-рейку (для ИТП-11);
- на трубу (для ИТП-11).
- Самозажимные клеммные соединители (для ИТП-14, ИТП-16).
- Красная или зеленая индикация (оговаривается при заказе).
- Эксплуатация при температуре окружающий среды: от -40 до +60 °С.
- Межповерочный интервал:
- ИТП-11 – 3 года
- ИТП-14, ИТП-16 – 5 лет
Внимание: для приборов ИТП-11.х.Н3 (настенное исполнение):
* функция мигания индикатора отсутствует;
**падение напряжения при питании от измеряемого сигнала составляет 10 В.
Если вы нашли ошибку, пожалуйста, выделите фрагмент текста и нажмите Ctrl+Enter.
+7 347 200-92-14
ул. Рязанская, 14А
market@owen-ufa.ru
Личный кабинет![itp-11_green[1] itp-11_green[1]](https://owen-ufa.ru/wp-content/uploads/2017/02/itp-11_green1-600x480.png)

![itp-11_red[1] itp-11_red[1]](https://owen-ufa.ru/wp-content/uploads/2017/02/itp-11_red1-180x144.png)
![indikator-tokovoi-petli-itp-11.kr.n3[1] indikator-tokovoi-petli-itp-11.kr.n3[1]](https://owen-ufa.ru/wp-content/uploads/2017/02/indikator-tokovoi-petli-itp-11.kr_.n31-180x144.jpg)
![indikator-tokovoi-petli-itp-11.zl.n3[1] indikator-tokovoi-petli-itp-11.zl.n3[1]](https://owen-ufa.ru/wp-content/uploads/2017/02/indikator-tokovoi-petli-itp-11.zl_.n31-180x144.jpg)

