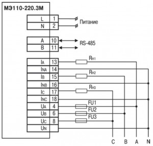
Назначение модуля ввода параметров электрической сети МЭ110-220.3М
Прибор предназначен для измерения напряжения, силы тока, частоты, мощности, фазового угла и коэффициента мощности в трехфазных сетях, преобразования измеренных параметров в цифровой код и передачи результатов измерений в сеть RS-485.
Прибор может быть использован в составе измерительных систем контроля и управления технологическими процессами на промышленных предприятиях и на объектах жилищно-коммунального хозяйства.
• Безопасное функционирование важных технологических узлов (электрооборудования)
• Возможность ведения журнала изменений параметров питающей сети (при использовании МСД200 или СПК107)
Примеры работы:
МЭ110-220.3М+СПК107
МЭ110-220.3М+МСД200
МЭ110-220.3М+ПЛК323
Прибор не является Мастером сети, поэтому сеть RS-485 должна иметь Мастер сети, например, ПК с запущенной на нем SCADA-системой, контроллер или регулятор.
К прибору предоставляется бесплатный ОРС-драйвер и библиотека стандарта WIN DLL, которые рекомендуется использовать при подключении прибора к SCADA-системам и контроллерам других производителей.
Конфигурирование прибора осуществляется на ПК через адаптер интерфейса RS-485/RS-232 или RS-485/USB (например, ОВЕН АСЗ-М или АС4) с помощью программы «Конфигуратор М110», входящей в комплект поставки.
Прибор отвечает требованиям по устойчивости к воздействию помех в соответствии с ГОСТ Р 51522 для оборудования класса А.
Модули МЭ110 ориентированы в первую очередь на отечественного потребителя
МЭ110 является полностью российской разработкой крупнейшего отечественного производителя средств промышленной автоматизации – компании ОВЕН.
Все это означает:
- короткие сроки производства и поставки;
- удобство приобретения через широкую дилерскую сеть;
- гарантийное и постгарантийное обслуживание в сервисных центрах по всей России;
- подробную документацию полностью на русском языке;
- грамотную техническую поддержку и обучение;
- открытость вашим идеям при расширении линейки.
Программное обеспечение
Документация
Если вы нашли ошибку, пожалуйста, выделите фрагмент текста и нажмите Ctrl+Enter.
+7 347 200-92-14
ул. Рязанская, 14А
market@owen-ufa.ru
Личный кабинет![mie110-3m[1] mie110-3m[1]](https://owen-ufa.ru/wp-content/uploads/2017/02/mie110-3m1-600x580.jpg)

