Цена:по запросу*
Обращаем Ваше внимание на то, что данный интернет-сайт носит исключительно информационный характер и ни при каких условиях информационные материалы и цены, размещенные на сайте, не являются публичной офертой, определяемой положениями Статей 435 и 437 Гражданского кодекса РФ.
Цена:по запросу*
Обращаем Ваше внимание на то, что данный интернет-сайт носит исключительно информационный характер и ни при каких условиях информационные материалы и цены, размещенные на сайте, не являются публичной офертой, определяемой положениями Статей 435 и 437 Гражданского кодекса РФ.
С ноября 2016 года модули ввода/вывода линейки ОВЕН Мх110 выпускаются в обновленных корпусах.
Отличительные особенности нового корпуса:
Клеммники с невыпадающими винтами.
Упрощенный доступ к DIP-переключателям/перемычкам благодаря удобной откидной крышке.
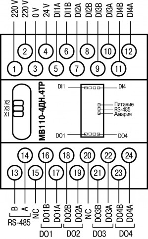
Назначение модуля ввода-вывода дискретных сигналов МК110-4ДН.4ТР
Прибор предназначен для сбора данных со встроенных дискретных входов с последующей их передачей в сеть RS-485 и управления встроенными дискретными ВЭ, используемыми для подключения исполнительных механизмов с дискретным управлением, по сигналам из сети RS-485 или в зависимости от состояния дискретных входов.
ОВЕН МК110 имеет встроенный источник питания для подключенных ко входам модуля датчиков.
Прибор может быть использован в составе автоматизированных систем управления технологическими процессами в различных отраслях промышленности, может применяться для сопряжения различных датчиков и бесконтактных выключателей (основанных на емкостном, индуктивном, оптическом, ультразвуковом и др. принципах действия) с исполнительными механизмами.
Встроенные ВЭ могут работать в режиме ШИМ, дискретные входы могут работать в режиме счетчиков импульсов частотой до 1 кГц.
МК110 работает в сети RS-485 по протоколам ОВЕН, ModBus-RTU, ModBus-ASCII, DCON.
МК110 не является Мастером сети, поэтому сеть RS-485 должна иметь Мастер сети, например, ПК с запущенной на нем SCADA-системой, контроллер или регулятор.
К МК110 предоставляется бесплатный ОРС-драйвер и библиотека стандарта WIN DLL, которые рекомендуется использовать при подключении прибора к SCADA-системам и контроллерам других производителей.
Конфигурирование МК110 осуществляется на ПК через адаптер интерфейса RS-485/RS-232 или RS-485/USB (например ОВЕН АСЗ-М или АС4) с помощью программы «Конфигуратор М110», входящей в комплект поставки.
Прибор отвечает требованиям по устойчивости к воздействию помех в соответствии с ГОСТ Р 51522 для оборудования класса А.
Основные особенности модуля ввода-вывода дискретных сигналов МК110-4ДН.4ТР
Повторитель интерфейса RS-485 ОВЕН АС5 предназначен для усиления ослабленного сигнала интерфейса RS-485 и применяется в случаях:
количество приборов в сети больше чем 32;
длина линии связи между приборами превышает 1200 метров.
Можно ли использовать модули ввода-вывода, производимые компанией ОВЕН, совместно с ПЛК других компаний?
Построение таких систем возможно, если в ПЛК поддержан один из протоколов, поддержанных в модулях (а именно, ОВЕН, ModBus RTU, ModBus ASCII, DCON).
В обозначении модуля указана маркировка 224. Могу ли я «запитать» данный модуль от источника =24В?
Универсальный источник питания (при заказе обозначается 224) позволяет организовать питание прибора как от источника постоянного тока (=20..375 В), так и от источника переменного напряжения (~90.. 264 В).
У меня модуль МК110-220.4ДН.4Р, но в конфигураторе мне не доступен выбор логики срабатывания выходов в зависимости от состояния входов. Могу ли я обновить прошивку модуля?
Да. Прошивку модуля можно обновить по интерфейсу RS485. При обновлении прошивки станет доступен функционал EasyLogic. Обновление встроенной программы микроконтроллера модуля представлено на страничке соответствующего модуля.
Также это обновление доступно для модулей МК110-8Д(ДН).4Р.
Какое оборудование необходимо для настройки модуля?
Для конфигурирования модуля Вам понадобится преобразователь интерфейса RS485-RS232 или RS485-USB (например, АС3-М или АС4).
Можно ли использовать один конфигуратор для всех модулей?
Для модулей МВА8, МВУ8, МДВВ предусмотрены отдельные конфигураторы. Для линейки Мх110 (МВ110, МК110, МУ110) используется общий конфигуратор М110.
В комплект поставки модулей входит диск с конфигуратором, также Вы можете воспользоваться ссылкой для скачивания на сайте компании ОВЕН.
Где можно посмотреть примеры подключения модулей к ПЛК, панелям оператора?
Можно ли при работе с модулем МК110-220.4К.4Р считывать значения входов и управлять выходными элементами по интерфейсу RS485
Такой вариант работы с модулем возможен. Можно считывать значения входов и управлять выходными э/м реле по интерфейсу RS485. Кроме этого возможен режим работы модуля по прямой логике.
Возможно ли питание тензометрических датчиков внешним источником напряжения при совместной работе с модулями МВ110-224.1(4)ТД
«Запитывать» тензометрические датчики от внешнего источника не надо. Питание на схему датчика подается с клемм прибора.
Забыл сетевые настройки модуля: как я могу с ним связаться?
Необходимо установить в модуле перемычку «Заводские настройки» (его расположение Вы можете уточнить в РЭ к модулю). После этого в Конфигураторе необходимо выбрать
«Заводские настройки»
Вопрос : алгоритм вычисления контрольной суммы по протоколу DCON (работаем с модулем МВ110-8АС) или как вариант ответа контрольные суммы для опроса входов 1, 2 и 3 блока с базовым адресом 0, т.е. КС для посылок #000, #001, #002.
Алгоритм контрольной суммы при работе по протоколу DCON- сумма всех кодов ASCII символов посылки.
Например, #102
#-35
1-49
0-48
2-50
Суммируем, получаем 182. Далее переводим в HEX->B6
Получаем #102 B6
Для следующих посылок:
#000 B3
#001 B4
#002 B5
Вопрос: каков допустимый диапазон входного напряжения для входов типа ДН (МВ110-16ДН, МК110-4ДН.4Р, МК110-8ДН.4Р)
Допустимый диапазон напряжения 21..27 В (постоянного напряжения)
Вопрос: Работаю с МВ110-8АС и ПЛК100. Что необходимо использовать
Float variable(listen) или Float variable(listen)+Time для чтения значения со входа в формате Float.
Необходимо использовать Float variable(listen)+Time, так как в регистре присутствует также метка времени.
Вопрос: какие датчики можно использовать совместно с МВ110-224.pH
Для работы совместно с модулем МВ110-224.pH Вы можете использовать pH-электроды следующих производителей:
Hanna Instruments (HI1043B, HI1053B и др.), Endress+Hauser, а также электроды других производителей со схожими характеристиками.