СНЯТ С ПРОИЗВОДСТВА




ОВЕН ПЛК100 – моноблочный контроллер с дискретными входами/выходами на борту для автоматизации малых систем
Назначение контроллера ОВЕН ПЛК100
- Создание систем управления малыми и средними объектами.
- Построение систем диспетчеризации.
Лицензионное ограничение области памяти ввода/вывода
Контроллеры ОВЕН ПЛК выпускаются в двух модификациях по лицензионному ограничению размера области памяти ввода/вывода (т.н. области %I+%Q+%M или области отображения процесса):
- ОВЕН ПЛК-Х.Х-M – контроллеры без лицензионного ограничения объема области памяти ввода/вывода;
- ОВЕН ПЛК-Х.Х-L – контроллеры с лицензионным ограничением объема области памяти ввода/вывода до 360 байт.
Контроллеры ОВЕН ПЛК-Х.Х-L имеют более низкую цену.
ВНИМАНИЕ! Лицензионное ограничение распространяется только на область памяти ввода/вывода (область отображения процесса). Максимальное количество внутренних переменных программы ПЛК не зависит от лицензионного ограничения и определяется только размером доступной оперативной памяти.
Выбор типа лицензии ОВЕН ПЛК
Для выбора типа лицензии ОВЕН ПЛК необходимо подсчитать объем доступной памяти ввода/вывода для организации сетевого обмена со всеми внешними устройствами. Скачать алгоритм расчета.
Удобным способом, который позволяет точно проверить, хватит ли доступного объема памяти ввода/вывода, является способ создания проекта. Не приобретая контроллер, но установив на компьютере CoDeSys и Target-файл, вы можете создать проект и в окне PLC_Configuration подключить все необходимые модули. Если памяти достаточно, компиляция проекта пройдет успешно, если же нет – CoDeSys выдаст ошибку. При компиляции будут учтены все особенности, в том числе требования по выравниванию переменных. Для осуществления подобной проверки собственно программу контроллера писать не требуется.
Особенности ОВЕН ПЛК100
- Компактный DIN-реечный корпус.
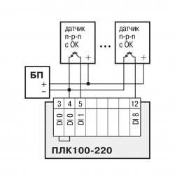
- Дискретные входы/выходы на борту.
- Наличие последовательных портов (RS-485, RS-232) и Ethernet.
- Расширение количества точек ввода/вывода осуществляется путем подключения внешних модулей ввода/вывода по любому из встроенных интерфейсов.
- Два варианта питания: 220 В переменного тока и 24 В постоянного тока.
Конкурентные преимущества ОВЕН ПЛК100
- Отсутствие ОС, что повышает надежность работы контроллеров.
- Скорость работы дискретных входов – до 10 КГц при использовании подмодулей счетчика.
- Большое количество интерфейсов на борту, работающих независимо друг от друга: Ethernet, 3 последовательных порта, USB Device для программирования контроллера.
- Расширенный температурный диапазон работы: от –20 до +70 С.
- Встроенный аккумулятор, позволяющий «пережидать» пропадание питания: выполнение программы при пропадании питания и перевод выходных элементов в «безопасное состояние».
- Встроенные часы реального времени.
- Контроллер поддерживает работу с нестандартными протоколами по любому из портов, что позволяет подключать такие устройства как электро-, газо-, водосчетчики, считыватели штрих-кодов и т.п.
Программирование контроллеров ОВЕН ПЛК100
Программирование контроллеров ОВЕН ПЛК100 осуществляется профессиональной системой программирования CODESYS v.2.
Система программирования CODESYS для покупателей контроллеров ОВЕН предоставляется бесплатно.
Получить более подробную информацию по системе программирования CODESYS и скачать её можно с нашего сайта или с сайта производителя www.3s-software.ru.
Сервисное программное обеспечение ОВЕН ПЛК100
Программа обновления прошивки (внутреннее ПО) контроллера ОВЕН ПЛК100 и таргет-файлы можно скачать в разделе «Сервисное ПО контроллеров ОВЕН ПЛК100«.
Дополнительные утилиты
Для удобства пользователей специалистами компании ОВЕН созданы дополнительные утилиты:
- EasyWorkPLC – утилита для технолога, позволяющая изменять значения параметров, не изменяя при этом программу контроллера. Работает без CODESYS.
- PLC_IO – утилита для работы с файловой системой контроллера, например, запись/считывание файлов с ПЛК. Работает без CODESYS.
Подробнее узнать про утилиты и скачать их можно на странице Утилиты EasyWorkPLC и PLC_IO.
Ознакомиться с сертификатами можно скачать на странице сертификатов к приборам.
Документация
Декларация о соответствии на ПЛК100 24В
Разрешение Ростехнадзора на ПЛК63, ПЛК73, ПЛК110, ПЛК160, ПЛК304, ПЛК308
Разрешение Ростехнадзора на ПЛК100
Сертификат соответствия ГАЗПРОМСЕРТ для ПЛК100
Сертификат соответствия в области пожарной безопасности для ПЛК100
Декларация о соответствии на ПЛК100 220В
Руководство по эксплуатации ПЛК100
Руководство по программированию ПЛК100/150/154 (Конфигурирование области ввода/вывода)
Если вы нашли ошибку, пожалуйста, выделите фрагмент текста и нажмите Ctrl+Enter.
+7 347 200-92-14
ул. Рязанская, 14А
market@owen-ufa.ru
Личный кабинет![plk100[1] plk100[1]](https://owen-ufa.ru/wp-content/uploads/2017/02/plk1001-600x550.png)





