СНЯТ С ПРОИЗВОДСТВА

ОВЕН ПЛК73 – контроллер с HMI для локальных систем автоматизации в щитовом исполнении. Основные области применения ОВЕН ПЛК73 – ЖКХ, ЦТП, ИТП, котельные, небольшие установки.
Основные функциональные возможности
- Четырехстрочный знакосинтезирующий дисплей.
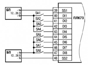
- Наличие дискретных входов/выходов на борту.
- Заказные модификации с выбором дискретных/аналоговых выходов.
- Платы расширения интерфейсов RS-485, RS-232.
- Поддержка протоколов ОВЕН, Modbus RTU, Modbus ASCII, GateWay.
- Бесплатная библиотека функциональных блоков:
- разработки ОВЕН: ПИД-регулятор с автонастройкой, блок управления 3-позиционными задвижками и др.;
- стандартные библиотеки CODESYS.
- Возможность расширения путем подключения модулей ввода/вывода.
- Увеличение количества дискретных выходов путем подключения модуля ОВЕН МР1.
- Встроенные часы реального времени.
- Щитовой корпус.
Документация
Декларация о соответствии на ПЛК73
Разрешение Ростехнадзора на ПЛК63, ПЛК73, ПЛК110, ПЛК160, ПЛК304, ПЛК308
Сертификат средств измерений ПЛК73 (Казахстан)
Свидетельство о типовом одобрении ПЛК (Российский морской регистр судоходства)
Сертификат средств измерений ПЛК73 (Россия)
Сертификат средств измерений ПЛК73 (Беларусь)
Если вы нашли ошибку, пожалуйста, выделите фрагмент текста и нажмите Ctrl+Enter.
+7 347 200-92-14
ул. Рязанская, 14А
market@owen-ufa.ru
Личный кабинет![plk73_1[1] plk73_1[1]](https://owen-ufa.ru/wp-content/uploads/2017/02/plk73_11-500x600.jpg)




