ОВЕН ПР – это свободно программируемое устройство, которое не содержит в своей памяти заранее написанной программы. Алгоритм работы программируемого реле формируется непосредственно пользователем, что делает прибор универсальным и дает возможность широко использовать его в различных областях промышленности, сельском хозяйстве, ЖКХ и на транспорте. Специалисты ОВЕН рекомендуют использовать приборы данной линейки при замене устаревших релейных систем защиты и контроля. За счет внутренней логики прибора можно значительно сократить количество коммутируемых электромагнитных устройств, что снизит затраты на проектирование и эксплуатацию систем, а также повысит их надежность.
Программирование ПР не требует специальных навыков, поскольку осуществляется с помощью простой и интуитивно понятной среды программирования.
Основное назначение ОВЕН ПР – построение простых локальных систем управления:
- разного типа насосных станций с возможностью управления частотным преобразователем;
- контроля доступа и релейной защиты;
- конвейерных систем с дозаторами;
- технологического оборудования (станки, прессы и пр.);
- вентиляции и отопления.
Преимущества
- Различные виды исполнения. (по питанию, по типу и количеству входов/выходов).
- Наличие часов реального времени.
- Простая, интуитивно понятная среда программирования OWEN Logic.
- Возможность создания и отладки проекта без прибора.
- Возможность интеграции в сети RS-485, протокол Modbus-Slave.
- Компактный корпус на DIN-рейку.
- Широкий климатический диапазон -20..+55 °C.
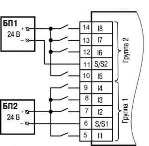
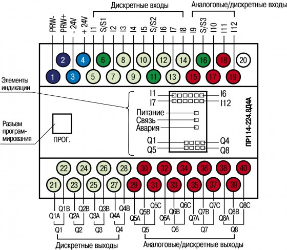
| 12 входов из которых 4 могут работать как аналоговые/ 4 дискретных + 4 заказаных выходов | ||
| ПР114-224.8Д4А.РРРРхххх | Универсальный блок питания 24В постоянного и 220В переменного тока | |
| ПР114-224.8Д4А.РРРРхххх-Ч | Универсальный блок питания 24В постоянного и 220В переменного тока, имеются часы реального времени | |
Функциональные возможности
- Логические функции (И, ИЛИ, НЕ).
- Арифметические функции и функции сравнения.
- Счетчики, триггеры.
- Блоки временных задержек.
- Формирователи сигналов.
- Блоки работы с битами.
- Возможность создания своих блоков (макросы).
- Онлайн база макросов.
Сводная таблица технических характеристик:
|
Наименование |
Значение |
||
|
ПР110 |
ПР114 |
||
|
Каналы ввода / вывода |
|||
|
Количество входов аналоговых |
Нет |
4 (0) |
|
|
Количество входов дискретных |
8 или 12 |
8 (12) |
|
|
Количество выходов дискретных |
4 или 8 |
4 — 8 |
|
|
Количество выходов аналоговых |
Нет |
До 4 |
|
|
Питание прибора |
|||
|
Напряжение питания |
=24 В или ~220 В |
=24 В и ~220 В |
|
|
Потребляемая мощность, ВА, не более |
8 |
8 |
|
|
Программирование |
|||
|
Количество ФБ, среднее |
63 |
450 |
|
|
RETAIN-переменные |
Нет |
136 байт |
|
|
Время цикла, мс, не менее |
3 |
0,25 |
|
|
Конструкция |
|||
|
Тип крепления |
На DIN-рейку, настенное |
||
|
Степень защиты корпуса |
IP20 |
||
|
Климатика |
-20…+55 °С |
||
|
Габариты, мм |
(110х73х63)±1 (110х73х96)±1 |
(110х73х96)±1 |
|
Основные особенности
- Подходит для задач локальной автоматизации
- До 12 дискретных входов
- До 4 аналоговых входов
- До 8 дискретных выходов
- До 4 аналоговых выходов
- Наличие часов реального времени
- Универсальный источник питания (как от 220 В переменного так и от 24 В постоянного тока)
- Встроенный источник питания 24 В, 160 мА
- Программирование в среде OWEN Logic (ссылка)
- Энергонезависимая память для хранения состояния внутренних переменных
- Работа в сети Modbus (с ПР-МИ485)
- Расширенный диапазон рабочих температур -20…+55 °С
Программное обеспечение
Документация
Сертификат соответствия в области пожарной безопасности для ПР114
Декларация о соответствии на ПР114
Если вы нашли ошибку, пожалуйста, выделите фрагмент текста и нажмите Ctrl+Enter.
+7 347 200-92-14
ул. Рязанская, 14А
market@owen-ufa.ru
Личный кабинет![pr114-12.8r_100[1] pr114-12.8r_100[1]](https://owen-ufa.ru/wp-content/uploads/2017/02/pr114-12.8r_1001-600x576.jpg)


