![]() |
Тахометр ТХ01-RS предназначен для измерения частоты вращения вала, линейной скорости перемещения конвейера, времени наработки агрегатов.
Функциональные возможности
- Измерение скорости вращения и времени наработки.
- Масштаб отображения: об/с, об/мин, об/ч, пользовательские единицы.
- 2 модификации по напряжению питания:
- универсальный источник питания (~110 В, ~230 В и =24 В);
- питание от бортовой сети или аккумулятора (=12 В и =24 В).
- Подключение датчиков n-p-n-типа, герконов.
- Интерфейс RS-485 (Modbus RTU/ASCII).
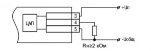
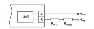
- Выходные элементы: э/м реле, ток 4…20 мА, напряжение 0…10 В.
- Защита настроек паролем.
- Сохранение настроек и результатов при отключении питания.
- Работа при низких температурах: -20…+70 °С.
Особенности тахометра ТХ01-RS
- Госреестр средств измерений РФ, Белоруссии и Казахстана.
- Свидетельство о типовом одобрении (Морской регистр).
- Дискретный выход (Р) – устройство сравнения (компаратор): падение/повышение частоты, сигнализация достижения времени наработки и т.п.
- Аналоговый выход (И, У) – 2 режима работы:
- П-регулятор (управляющий сигнал выдается в зависимости от рассогласования).
- Регистратор (сигнал изменяется в зависимости от частоты).
- Каждая модификация имеет в базе:
- интерфейс RS-485 с поддержкой Modbus RTU/ASCII.
- питание от =24 В.
- релейный выход (8 А, ~220 В).
Документация
Декларация о соответствии на ТХ01 220В
Сертификат средств измерений ТХ01 (Казахстан)
Сертификат средств измерений ТХ01 (Беларусь)
Декларация о соответствии на ТХ01 24 В
Свидетельство о типовом одобрении ТХ01
Сертификат средств измерений ТХ01 (Россия)
Руководство по эксплуатации ТХ01-RS
Руководство по эксплуатации ТХ01 (без RS — выпускались до 11.12.2017)
Если вы нашли ошибку, пожалуйста, выделите фрагмент текста и нажмите Ctrl+Enter.
+7 347 200-92-14
ул. Рязанская, 14А
market@owen-ufa.ru
Личный кабинет![tx01-n[1] tx01-n[1]](https://owen-ufa.ru/wp-content/uploads/2018/07/tx01-n1-600x600.png)
![tx01-sh2_1[1] tx01-sh2_1[1]](https://owen-ufa.ru/wp-content/uploads/2018/07/tx01-sh2_11-180x180.png)



