Назначение измерителя-регулятора ТРМ136
Измеритель-регулятор универсальный шестиканальный ТРМ136 предназначен для построения автоматических систем контроля и регулирования производственными технологическими процессами в металлообрабатывающей, пищевой, химической, деревообрабатывающей, в производстве строительных материалов и в других областях промышленности.
ТРМ 136 предназначен для измерения и регулирования температуры, давления и других физических величин. Он может управлять до 6 исполнительными механизмами, вести регистрацию измерений на ЭВМ.
ТРМ136 является аналогом прибора ТРМ138.
При необходимости прибор может комплектоваться выходными устройствами различного типа. В этом случае требуемые устройства должны быть перечислены при заказе с указанием количества каждого типа.
Функциональные возможности регулятора ТРМ136
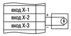
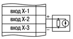
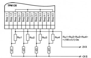
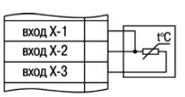
- Шесть универсальных входов для подключения от 1 до 6 датчиков разного типа в любых комбинациях;
- Вычисление дополнительных величин:
— средних значений от 2 до 6 измеренных величин;
— разностей измеренных величин;
— скорости изменения измеряемой величины. - До шести каналов регулирования или регистрации температуры, давления или других измеренных или вычисленных величин:
— регулирование по двухпозиционному закону (для каналов с ВУ типа Р,К,С или Т);
— регистрация на аналоговом выходе (ток 4…20 мА или напряжение 0…10В). - От 1 до 6 встроенных выходных устройств различных типов в выбранной пользователем комбинации
- Режим ручного управления выходными устройствами
- Конфигурирование функциональной схемы и установка параметров:
— кнопками на лицевой панели прибора; - Четыре варианта стандартных конфигураций схемы прибора
- Встроенный интерфейс RS-485 (протокол ОВЕН, Modbus ASCII/RTU)
- Формирование аварийного сигнала при обнаружении неисправности первичных преобразователей с отображением его причины на цифровом индикаторе
Скачать брошюру
Измеритель-регулятор универсальный шестиканальный ТРМ136 (1 Мб)
Программное обеспечение
Документация
Декларация о соответствии на ТРМ136
Сертификат средств измерений ТРМ136 (Казахстан)
Сертификат средств измерений ТРМ136 (Беларусь)
Если вы нашли ошибку, пожалуйста, выделите фрагмент текста и нажмите Ctrl+Enter.
+7 347 200-92-14
ул. Рязанская, 14А
market@owen-ufa.ru
Личный кабинет![trm136_shh7_3d[1] trm136_shh7_3d[1]](https://owen-ufa.ru/wp-content/uploads/2017/02/trm136_shh7_3d1-600x600.png)


